E-weg / E-stad

HT MINI Cassette achternaafmotor

De HT MINI 8-10-speed cassettenaafmotor is ontworpen voor e-stads- en racefietsen, waardoor het een van de kleinste externe rotornaafmotoren op de markt is. Het beschikt over een compact en lichtgewicht ontwerp met een gewicht van slechts 1,95 kg, een nominaal vermogen van 220 W en een koppel van meer dan 30 Nm. De koppelsensorcassette is verkrijgbaar. De motor kan tot 250 W leveren met een koppel van 40 Nm. Het externe rotorontwerp vermindert cumulatieve fouten, waardoor de duurzaamheid en stabiliteit worden verbeterd.

Sleutelparameter
Motorstructuur: Nominale spanning (V): Nominaal vermogen (W):
Outrunner-naafmotor 36-48 180-250
Piekkoppel (Nm): Gewicht (kg): OUD (mm):
40 2.18(220w) 142
gedetailleerde informatie
  • HT MINI Cassette achternaafmotor
  • HT MINI Cassette achternaafmotor
Ningbo Yinzhou HENTACH Electromechanical Co., Ltd. Product Parameters Ningbo Yinzhou HENTACH Electromechanical Co., Ltd. Drawing Ningbo Yinzhou HENTACH Electromechanical Co., Ltd. Contact Us

Kerngegevens

Nominaal vermogen 180-250
Nominale spanning 36-48
Wieldiameter 20-28
Snelheidsbereik 25-38
Maximaal koppel 40
Overbrengingsverhouding 5
Gewicht (KG) 2.18(220w)

Installatieparameters

Rem Schijfrem
Koppelsensorcassette Ja
Bekabelingsroute As Centraal Rechts
Spaakgat 2-18-Ф3.2
Waterdichtheid IP54 (tot IP65)
Vliegwiel/tandwiel KAFI 7-10 versnellingen
Certificaten TUV/EN15194/RoHS

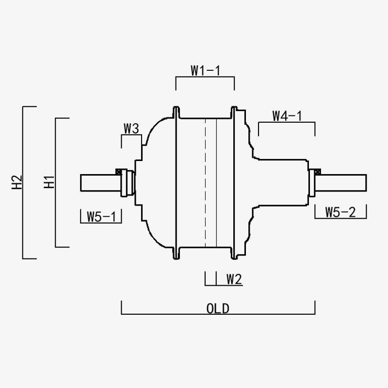
H1/OD: 95.5
H2/Motor-OD: 112.5
W1(-1/-2): 43
W2: 8
W3: 15
W4(-1/-2): 42.5
W5(-1/-2): 30/39
OUD: 142
Aslengte: 211
Ningbo Yinzhou HENTACH Electromechanical Co., Ltd.
neem contact met ons op
  • Verzenden en verzenden
Ningbo Yinzhou HENTACH Electromechanical Co., Ltd.
WAT ONDERSCHEIDT ONS
  • De motor heeft een buitendiameter van 95 mm, een cassettevliegwiel met 10 versnellingen, dat slechts 2,15 kg weegt, een ultralichte buitenrotormotor en een overtrekkoppel tot 40 NM. Een e-bikepartner.

  • Gepatenteerd stalen tandwiel van kunststof: 5 keer zoveel koppel als nylon tandwielen; levensduur groter dan 40.000 kilometer; lagere after-sales

  • Buitenrotormotor: stabielere structuur dan binnenrotor, lager uitvalpercentage

WIE ZIJN WIJ Meer dan 20 jaar van productie-ervaring.

Ningbo Yinzhou HENTACH Electromechanical Co., Ltd. (Voorheen Hengtai Motor) Opgericht in 1995 en voorheen bekend als "Hengtai Motor" (de Chinese naam van ons bedrijf), hebben we in 2020 officieel de Engelse naam "HENTACH Motor" aangenomen. Beide namen vertegenwoordigen dezelfde vertrouwde fabrikant die zich al meer dan 30 jaar inzet voor elektromechanische innovatie. Gespecialiseerd in het gieten en de precisieverwerking van miniatuur gelijkstroommotoren, elektrische/motorfietsnaafmotoren en aluminium-magnesiumlegeringen voor elektrische voertuigen, combineren we een streng ISO 9001-kwaliteitscontrolesysteem, volwassen managementpraktijken en geavanceerde productie-/testapparatuur om betrouwbare oplossingen te leveren.

Met onze complete productieketen, van het gieten van grondstoffen tot de levering van het eindproduct, bedienen we diverse markten, waaronder e-bikes, vrachtvoertuigen, AGV's, golfkarretjes, landbouwmachines en elektrische karts. Ons complex van meer dan 9.000 m² (waarvan 5.000 m² bebouwde oppervlakte) beschikt over meer dan 60 geavanceerde productieapparaten, waaronder 500-tons spuitgietmachines, precisie-CNC-machines, lasermarkeersystemen, microboogoxidatielijnen en twee speciale testbanken voor elektromotoren voor elektrische voertuigen. Deze infrastructuur garandeert een efficiënte productie en strikte naleving van internationale kwaliteitsnormen.

Bij HENTACH (Hengtai) geven we prioriteit aan hoogwaardige materialen en gepatenteerde technologie. Onze gepatenteerde nylon-stalen tandwielen zijn een bewijs van onze technische uitmuntendheid. Om de duurzaamheid te valideren, hebben we ooit een kilometergarantieprogramma gelanceerd voor motoren die meer dan 50.000 kilometer hebben gereden. Het resultaat? Meer dan 50 motoren voldeden niet alleen aan deze norm, maar overtroffen deze zelfs, waarbij sommige een indrukwekkende 80.000 kilometer bereikten. Deze prestaties in de praktijk weerspiegelen onze niet-aflatende focus op betrouwbaarheid en motiveren ons om voortdurend te innoveren voor slimmere, sterkere motoroplossingen.
Vertrouw op het merk dat wereldwijd bekend staat als Hengtai Motor en HENTACH Motor, waar gepatenteerde stalen tandwielinnovatie en bewezen duurzaamheid samenkomen.

Gecertificeerd door Certificeringen