e-fat/e-cargo

S-Type Pro RC achternaafmotor

De S-Type Pro RC achternaafmotor is ontworpen voor E-Cargo- en E-Fat-fietsen en biedt een nominaal vermogen van 750 W tot 1500 W. Het beschikt over een cassette met 8-10 versnellingen, een uitval van 190 mm en een piekkoppel van meer dan 145 Nm. Deze motor biedt sterke tractie bij lage snelheden en zorgt voor een stabiel klimvermogen op steile hellingen, zacht zand of glad terrein. Uitgerust met de gepatenteerde metalen nylon tandwielen van HT, is hij vijf keer sterker dan traditionele nylon tandwielen, gaat hij meer dan 40.000 km mee en verlaagt hij de onderhoudskosten aanzienlijk. In toepassingen met naafmotoren voor e-bikes met een vermogen boven de 1000 W zijn alleen de kunststof-stalen tandwielen van HT bestand tegen continue koppels van meer dan 100 Nm.

Sleutelparameter
Motorstructuur: Nominale spanning (V): Nominaal vermogen (W):
/ 36-60 600-1500
Piekkoppel (Nm): Gewicht (kg): OUD (mm):
145 6 190
gedetailleerde informatie
  • S-Type Pro RC achternaafmotor
  • S-Type Pro RC achternaafmotor
Ningbo Yinzhou HENTACH Electromechanical Co., Ltd. Product Parameters Ningbo Yinzhou HENTACH Electromechanical Co., Ltd. Drawing Ningbo Yinzhou HENTACH Electromechanical Co., Ltd. Contact Us

Kerngegevens

Neeminaal vermogen 600-1500
Nominale spanning 36-60
Wieldiameter 20-26
Snelheidsbereik 35-65
Maximaal koppel 145
Overbrengingsverhouding 5
Gewicht (KG) 6

Installatieparameters

Rem Schijfrem
Koppelsensorcassette No
Bekabelingsroute Aszijde links
Spaakgat 2-18-Ф3.2
Waterdichtheid IP54 (tot IP65)
Vliegwiel/tandwiel Kafei 7-10 versnellingen
Certificaten TUV/EN15194/RoHS

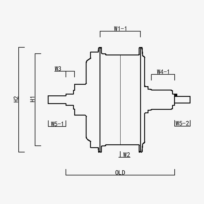
H1/OD: 162
H2/Motor-OD: 183
W1(-1/-2): 70.8
W2: 0
W3: 15.2
W4(-1/-2): 40.5
W5(-1/-2): 31/27
OUD: 190
Aslengte: 248
Ningbo Yinzhou HENTACH Electromechanical Co., Ltd.
neem contact met ons op
  • Verzenden en verzenden
Ningbo Yinzhou HENTACH Electromechanical Co., Ltd.
WAT ONDERSCHEIDT ONS
  • Krachtige naafmotor met achterwielaandrijving, open versnellingen van 190 mm en een nominaal vermogen tot 1500 W.

  • Uitgevonden gepatenteerde plastic tandwielen: 5 keer het koppel van nylon tandwielen; levensduur groter dan 40.000 km; lagere after-sales

  • Stall-koppel tot 145NM of meer, ontworpen voor efat/Cargo.

WIE ZIJN WIJ Meer dan 20 jaar van productie-ervaring.

Ningbo Yinzhou HENTACH Electromechanical Co., Ltd. (Voorheen Hengtai Motor) Opgericht in 1995 en voorheen bekend als "Hengtai Motor" (de Chinese naam van ons bedrijf), hebben we in 2020 officieel de Engelse naam "HENTACH Motor" aangenomen. Beide namen vertegenwoordigen dezelfde vertrouwde fabrikant die zich al meer dan 30 jaar inzet voor elektromechanische innovatie. Gespecialiseerd in het gieten en de precisieverwerking van miniatuur gelijkstroommotoren, elektrische/motorfietsnaafmotoren en aluminium-magnesiumlegeringen voor elektrische voertuigen, combineren we een streng ISO 9001-kwaliteitscontrolesysteem, volwassen managementpraktijken en geavanceerde productie-/testapparatuur om betrouwbare oplossingen te leveren.

Met onze complete productieketen, van het gieten van grondstoffen tot de levering van het eindproduct, bedienen we diverse markten, waaronder e-bikes, vrachtvoertuigen, AGV's, golfkarretjes, landbouwmachines en elektrische karts. Ons complex van meer dan 9.000 m² (waarvan 5.000 m² bebouwde oppervlakte) beschikt over meer dan 60 geavanceerde productieapparaten, waaronder 500-tons spuitgietmachines, precisie-CNC-machines, lasermarkeersystemen, microboogoxidatielijnen en twee speciale testbanken voor elektromotoren voor elektrische voertuigen. Deze infrastructuur garandeert een efficiënte productie en strikte naleving van internationale kwaliteitsnormen.

Bij HENTACH (Hengtai) geven we prioriteit aan hoogwaardige materialen en gepatenteerde technologie. Onze gepatenteerde nylon-stalen tandwielen zijn een bewijs van onze technische uitmuntendheid. Om de duurzaamheid te valideren, hebben we ooit een kilometergarantieprogramma gelanceerd voor motoren die meer dan 50.000 kilometer hebben gereden. Het resultaat? Meer dan 50 motoren voldeden niet alleen aan deze norm, maar overtroffen deze zelfs, waarbij sommige een indrukwekkende 80.000 kilometer bereikten. Deze prestaties in de praktijk weerspiegelen onze niet-aflatende focus op betrouwbaarheid en motiveren ons om voortdurend te innoveren voor slimmere, sterkere motoroplossingen.
Vertrouw op het merk dat wereldwijd bekend staat als Hengtai Motor en HENTACH Motor, waar gepatenteerde stalen tandwielinnovatie en bewezen duurzaamheid samenkomen.

Gecertificeerd door Certificeringen