E-FAT / E-CARGO

S-Type Pro F1500 voornaafmotor

De S-Type Pro F1500 voornaafmotor, ontworpen voor E-Carao- en E-Fat-fietsen, biedt een nominaal vermogen van 750 W tot 1500 W en een piekkoppel van 145 Nm. Het verbetert de tractie bij lage snelheden en het klimvermogen op uitdagend terrein, waardoor vermogenstekorten bij toepassingen met hoge belasting worden aangepakt. Uitgerust met HENTACH's gepatenteerde kunststof-stalen tandwielen - vijf keer sterker dan nylon tandwielen - ondersteunt het motoren met een vermogen van meer dan 1000 W, waar traditionele nylon tandwielen snel zouden verslijten bij aanhoudende koppels boven 100 Nm.

Sleutelparameter
Motorstructuur: Nominale spanning (V): Nominaal vermogen (W):
Geared Outrunner-naafmotor 48-60 750-1500
Piekkoppel (Nm): Gewicht (kg): OUD (mm):
145 5.5 190
gedetailleerde informatie
  • S-Type Pro F1500 voornaafmotor
  • S-Type Pro F1500 voornaafmotor
Ningbo Yinzhou HENTACH Electromechanical Co., Ltd. Product Parameters Ningbo Yinzhou HENTACH Electromechanical Co., Ltd. Drawing Ningbo Yinzhou HENTACH Electromechanical Co., Ltd. Contact Us

Kerngegevens

Neeminaal vermogen 750-1500
Nominale spanning 48-72
Wieldiameter 20-26
Snelheidsbereik 25-65
Maximaal koppel 145
Overbrengingsverhouding 5
Gewicht (KG) 5.5

Installatieparameters

Rem Schijfrem
Koppelsensorcassette No
Bekabelingsroute Aszijde rechts
Spaakgat 2-18-Ф3.5
Waterdichtheid IP54 (tot IP65)
Vliegwiel/tandwiel /
Certificaten TUV/EN15194/RoHS

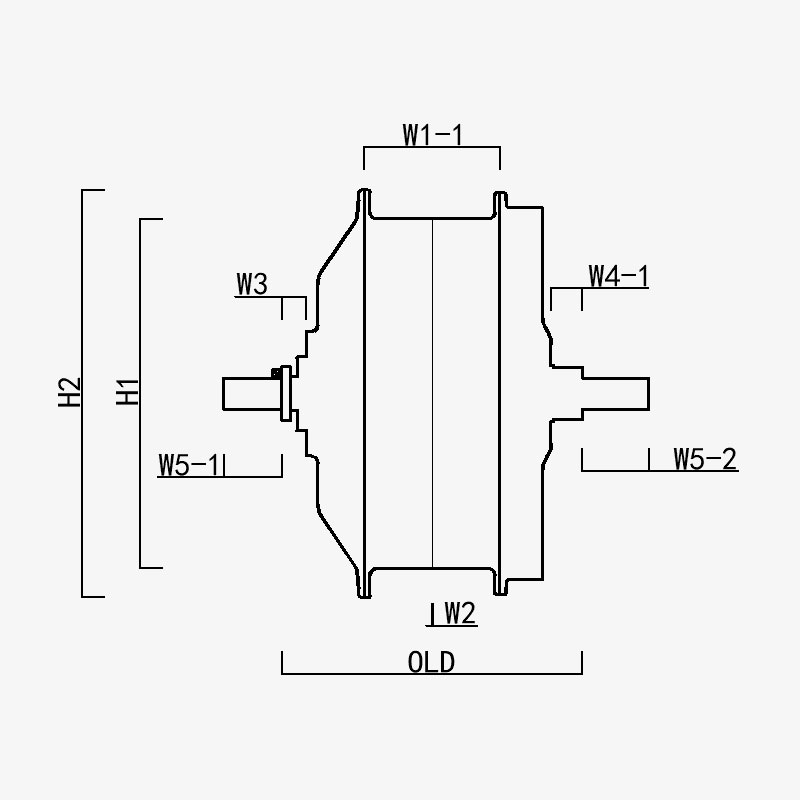
H1/OD: 157
H2/Motor-OD: 183
W1(-1/-2): 60.9
W2: 0
W3: 11
W4(-1/-2): 14.1
W5(-1/-2): 26/30
OUD: 135
Aslengte: 191
Ningbo Yinzhou HENTACH Electromechanical Co., Ltd.
neem contact met ons op
  • Verzenden en verzenden
Ningbo Yinzhou HENTACH Electromechanical Co., Ltd.
WAT ONDERSCHEIDT ONS
  • Krachtige aandrijfmotor aan de voorzijde, versnellingsopening van 135 mm, nominaal vermogen tot 1500 W.

  • Gepatenteerd stalen tandwiel van kunststof: 5 keer zoveel koppel als nylon tandwielen; levensduur groter dan 40.000 kilometer; lagere after-sales

  • Stall-koppel tot 145NM, speciaal ontworpen voor efat/Cargo.

WIE ZIJN WIJ Meer dan 20 jaar van productie-ervaring.

Ningbo Yinzhou HENTACH Electromechanical Co., Ltd. (Voorheen Hengtai Motor) Opgericht in 1995 en voorheen bekend als "Hengtai Motor" (de Chinese naam van ons bedrijf), hebben we in 2020 officieel de Engelse naam "HENTACH Motor" aangenomen. Beide namen vertegenwoordigen dezelfde vertrouwde fabrikant die zich al meer dan 30 jaar inzet voor elektromechanische innovatie. Gespecialiseerd in het gieten en de precisieverwerking van miniatuur gelijkstroommotoren, elektrische/motorfietsnaafmotoren en aluminium-magnesiumlegeringen voor elektrische voertuigen, combineren we een streng ISO 9001-kwaliteitscontrolesysteem, volwassen managementpraktijken en geavanceerde productie-/testapparatuur om betrouwbare oplossingen te leveren.

Met onze complete productieketen, van het gieten van grondstoffen tot de levering van het eindproduct, bedienen we diverse markten, waaronder e-bikes, vrachtvoertuigen, AGV's, golfkarretjes, landbouwmachines en elektrische karts. Ons complex van meer dan 9.000 m² (waarvan 5.000 m² bebouwde oppervlakte) beschikt over meer dan 60 geavanceerde productieapparaten, waaronder 500-tons spuitgietmachines, precisie-CNC-machines, lasermarkeersystemen, microboogoxidatielijnen en twee speciale testbanken voor elektromotoren voor elektrische voertuigen. Deze infrastructuur garandeert een efficiënte productie en strikte naleving van internationale kwaliteitsnormen.

Bij HENTACH (Hengtai) geven we prioriteit aan hoogwaardige materialen en gepatenteerde technologie. Onze gepatenteerde nylon-stalen tandwielen zijn een bewijs van onze technische uitmuntendheid. Om de duurzaamheid te valideren, hebben we ooit een kilometergarantieprogramma gelanceerd voor motoren die meer dan 50.000 kilometer hebben gereden. Het resultaat? Meer dan 50 motoren voldeden niet alleen aan deze norm, maar overtroffen deze zelfs, waarbij sommige een indrukwekkende 80.000 kilometer bereikten. Deze prestaties in de praktijk weerspiegelen onze niet-aflatende focus op betrouwbaarheid en motiveren ons om voortdurend te innoveren voor slimmere, sterkere motoroplossingen.
Vertrouw op het merk dat wereldwijd bekend staat als Hengtai Motor en HENTACH Motor, waar gepatenteerde stalen tandwielinnovatie en bewezen duurzaamheid samenkomen.

Gecertificeerd door Certificeringen